REXROTH柱塞泵A2FO16/61R-PBB06是力士樂A2FO系列16排量規格的一個主要型號。A2FO16排量相關產品型號如下:
A2FO16/61R-PAB06 A2FO16/61R-PBB06 A2FO16/61R-PPB06 A2FO16/61R-PZB06
A2FO16/61R-VAB06 A2FO16/61R-VBB06 A2FO16/61R-VPB06 A2FO16/61R-VZB06
A2FO16/61L-PAB06 A2FO16/61L-PBB06 A2FO16/61L-PPB06 A2FO16/61L-PZB06
A2FO16/61L-VAB06 A2FO16/61L-VBB06 A2FO16/61L-VPB06 A2FO16/61L-VZB06
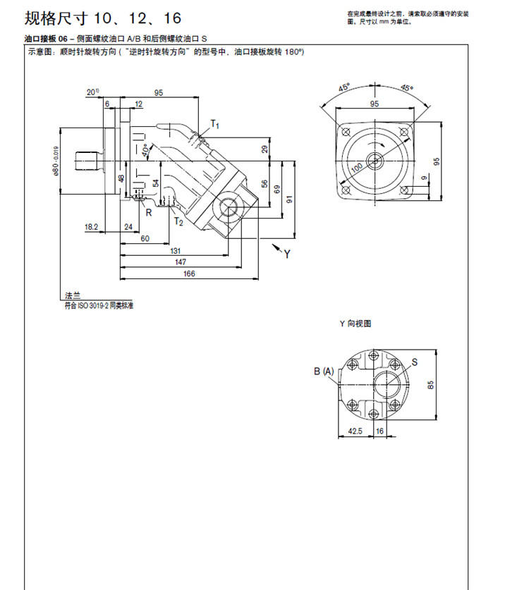
下面我們主要說明A2FO16/61R-PBB06產品型號定義,技術參數,安裝尺寸,連接方式等。





