力士樂系列負載敏感柱塞泵
A10VSO45DFR1/31R-PPA12N00 產品說明
A10VSO45DFR1/31R-PPA12N00是負載敏感型變量柱塞泵A10VSO系列中排量規格為45的產品之一。常用于液壓站,行走機械、
工程機械、礦山機械等。產品適應電機功率大于等于15Kw。該泵的凈重量為25Kg。流量為67L/min。
技術參數如下:
產品額定轉速:500-3000r/min;
額定工作壓力:28Mpa;
峰值工作壓力:35Mpa;
泵的額定排量:45ml/r;
泵的容積效率:大于等于95%;
控制方式:壓力、流量控制(負載敏感控制);
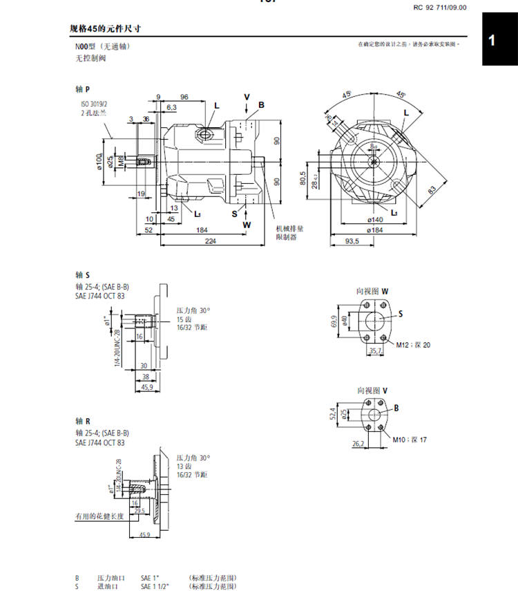
詳細技術參數吐下圖:

產品實物圖如下

產品型號定義如下圖


A10VSO45DFR1/31R-PPA12N00型號說明:
A10VSO為恒壓變量柱塞泵的型號;
45代表排量為45ml/r;
DFR1代表控制方式為壓力、流量控制(負載敏感控制);
31代表系列結構;
R 為順時針轉向(正轉);
P(第一個P)代表軸伸形式為平鍵軸;
P(第二個P)代表產品密封材料丁青橡膠;
12 代表后蓋形式;
N00 代表本產品無通軸選項;
負載敏感變量柱塞A10VSO45DFR1/31R-PPA12N00相關型號規格如下
A10VSO45DFR1/31R-PPA12NOO、
A10VSO45DFR/31R-PPA12N00、
A10VSO45DFR1/31R-PSC12K01、
A10VSO45DFR1/31R-VSC12K01、
A10VSO45DFR1/31R-VSA12N00、
A10VSO45DFR1/31R-PSC12N00、
L10VSO45DFR1/31R-PPA12N00、
AA10VSO45DFR1/31R-PPA12N00、
A10VSO45DFR1/31R-VSC12N00

更多關于產品型號、產品性能、產品用途、產品安裝方式、結構尺寸等請聯系我公司銷售人員。