

力士樂變量柱塞泵
A10VSO100DR/31R-PPA12N00產品概述
力士樂變量柱塞泵A10VSO100DR/31R-PPA12N00是恒壓變量柱塞泵A10VSO系列中排量規格為100的產品之一。產品額定轉速
為500-3000r/min,在額定轉速為1500r/min時,額定工作壓力為28Mpa,產品峰值壓力為35Mpa。產品適應電機功率大于等于
50Kw。該泵的凈重量為50Kg。流量為150Ll/min。該型號的柱塞泵使用DR恒壓變量控制,恒壓變量控制使指在液壓系統范圍內,
該泵可以維持系統的壓力恒定,和提供該泵系統所需要的流量,壓力可無級設定。根據該泵的特性,這款力士樂變量柱塞泵可用于
鍛壓機械、打包機械、冶金機械、礦山機械、行走機械等設備上。
產品型號定義如下圖


力士樂變量柱塞泵A10VSO100DR/31R-PPA12N00型號說明
A10VSO為恒壓變量柱塞泵的型號、
100代表排量為28r/min
DR代表控制方式為恒壓控制
1代表系列結構
R 為順時針轉向(正轉)
P(第一個P)代表軸伸形式為平鍵軸
P(第二個P)代表產品密封材料丁青橡膠
12 代表后蓋形式
N00 代表本產品無通軸選項
恒壓變量柱塞泵A10VSO100DR相關型號規格如下
A10VSO100DR/31R-PPA12NOO
A10VSO100DR/31R-PSC12N00
A10VSO100DR/31R-VSC12N00
L10VSO100DR/31R-PSA12N00
A10VSO100DR/31R-VSA12N00
A10VSO100DR/31R-PSC12K07
A10VSO100DR/31R-VSC12K07
A10VSO100DR/31R-PSC12KB5



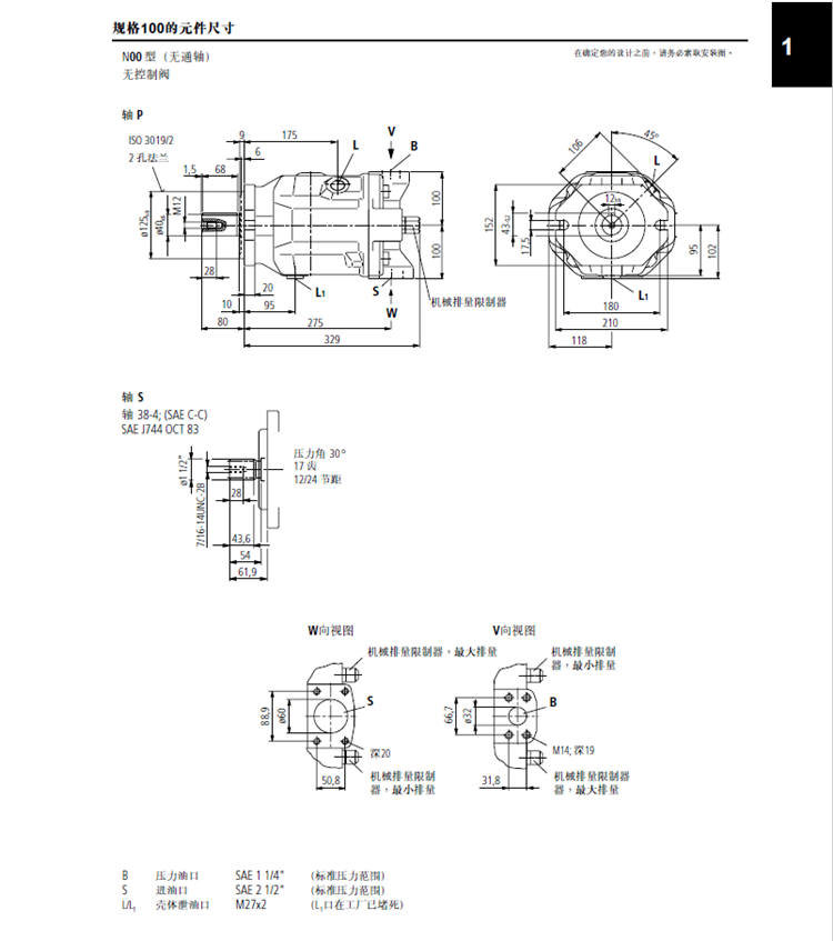
更多關于產品型號、產品性能、產品用途、產品安裝方式、結構尺寸等請聯系我公司銷售人員。